智慧农业采集终端 16CC 设备是我公司 DAM 系列设备中 GPRS 版本的一种,设备基于移动和联通的 GPRS 网络来进行通讯,使用我司配套的云平台软件可实现远程控制设备功能,每个设备具有唯一 ID 号方便用户进行二次开发使用。
l 供电电压 DC7-40V;
l 继电器输出触点隔离;
l 使用 GPRS 通讯,SIM 卡支持移动、联通,暂不支持电信;
l 通信波特率:2400,4800,9600,19200,38400
l 通信协议:支持标准 modbus 协议;
l 12 路光耦输入(5-24V);
l 16 路继电器输出;
l 12 路 12 位分辨率模拟量电压输入;
l 可实现远距离操控;
l 具有闪开、闪断功能,可以在指令里边带参数、操作继电器开一段时间自动关闭。
版本 | 定时功能 | 联动模式 | 模拟量阈值 | 场景 |
普通版 | ||||
智能自控版 | ● | ● | ● | ● |
①、普通版:
l 设备默认输入和输出之间为互相独立,没有关系。
②、智能自控版:
l 定时控制----年月日时分秒自定义设置时间控制,可循环;
l 输出互锁----自定义输出通道与输出通道之间的互锁关系;
l 开关量联动----手动开关或开关量触发设备与控制输出联动;
l 模拟量自动控制----自定义模拟量上下限阈值,触发后自动控制;
l 场景控制-----自定义完整的逻辑控制触发条件;
l 70 组规则设定----多达 70 组规则条件设定,满足各种逻辑要求。
型号 | modbus | RS232 | RS485 | USB | GSM | 继电器 | AD | 光耦 |
智慧农业采集终端 16CC |
● |
● |
16 |
12 |
12 |
参数 | 说明 |
触点容量 | 10A/30VDC 10A/250VAC |
耐久性 | 10万次 |
通讯接口 | GSM 网络(移动、联通) |
额定电压 | DC 7-40V |
电源指示 | 1路红色 LED 指示(不通信时常亮,通信时闪烁) |
输出指示 | 16路红色 LED 指示 |
温度范围 | 工业级,-40℃~85℃ |
尺寸 | 180*94*41mm |
重量 | 330g |
默认通讯格式 | 9600,n,8,1 |
波特率 | 2400,4800,9600,19200,38400 |
软件支持 | 配套配置软件、app 控制软件,平台软件;支持各家组态软件; 支持 Labviewd 等 |
设备使用基于移动或联通的 GSM 网络进行远程通讯,设备上插入移动或联通 SIM 卡即可,支持流量卡。

1 、 设备上电后,在设备上插入移动或联通 SIM 卡;
2 、 使用手机向设备中的手机号发送设置管理员指令;
3 、 通过提供的二维码标签或者发送查询短信指令获取设备唯一 ID 号;
4 、 安装 app 软件添加设备进行测试【默认设备的指向服务器是我司服务器】;
5 、 通过发送短信指令来将服务器地址改为使用的服务器地址;【选用】

设备使用 Micro-SIM Card(中卡),支持移动和联通 SIM 卡,支持流量卡或者普通 SIM卡,插卡方向如下图所示:

芯片朝上,缺口朝外
设备上提供一个 RS232 接口,可以用来连接现场的触摸屏、PLC 或电脑等上位机,为独立通讯接口,可与网络连接同时通讯。




下图中采集卡中的 AD 接口指 AI_ 1-AI_ 12 ,GND 指 COM-。

获取设备唯一 ID 号有以下两种方式:
使用手机扫描设备外壳或包装外壳上的二维码获取唯一 ID 号,如下所示:


(红色部分为必须指令,其他选用)
1:【管理员手机号】
配置短信:*JY#01#123456#138xxxxxxxx#
2:【APN】
查询:*JY#02#
配置:*JY#02#"CMNET","",""#
3:【DNS】
查询:*JY#03#
配置:*JY#03#114.114.114.114#8.8.8.8#300#60#
4:【登录信息包】
查询:*JY#04#
配置:*JY#04#Hex#010203040506
5:【心跳包】
查询:*JY#05#
配置:*JY#05#ASCII#:138xxxxxxxx.
6:【查询唯一 ID 号】
查询:*JY#30#
配置:*JY#30#UNID:***********
CSQ:**
GPS:**
此处为配置 TCP/UDP Client 模式时面向的服务器的 IP 地址及端口号设置,默认面向我司的服务器:ems.jydtu.com,端口号:60001。(红色部分为可修改部分)网络 1-网络 6 其中的任意通道修改即可。
11:【网络 1】
查询:*JY#11#
配置:*JY#11#1#ems.jydtu.com#60001#10000#300#0#31#
12:【网络 2】
查询:*JY#12#
配置:*JY#12#0##10000#10000#300#0#255#
13:【网络 3】
查询:*JY#13#
配置:*JY#13#0##10000#10000#300#0#255#
14:【网络 4】
查询:*JY#14#
配置:*JY#14#0##10000#10000#300#0#255#
15:【网络 5】
查询:*JY#15#
配置:*JY#15#0##10000#10000#300#0#255#
16:【网络 6】
查询:*JY#16#
配置:*JY#16#0##10000#10000#300#0#255#
21:【串口 1】
查询:*JY#21#
配置:*JY#21#0#0#0#0#255#0#
22:【串口 2】
查询:*JY#22#
配置:*JY#22#0#0#0#0#255#0#
23:【串口 3】
查询:*JY#23#
配置:*JY#23#0#0#0#0#255#0#
24:【串口 4】
查询:*JY#24#
配置:*JY#24#0#0#0#0#255#0#
25:【串口 5】
查询:*JY#25#
配置:*JY#25#0#0#0#0#255#0#
短信指令也可通过软件生成。
打开软件后,打开串口,修改参数配置,点击修改后,在 DTU 配置软件的“基本配置信息”页,点击“生成短信 ”,即可生成短信指令。

聚英云平台为我公司开发的一款网络平台软件,平台包含手机 APP 平台软件和网页版平台,其中手机 APP 软件又包含 Android 、IOS 两大类,平台以我公司的 DAM 系列网络版设备和 GPRS 版设备为应用对象,旨在为用户提供远程控制输出(继电器、开关量)、模拟量(4-20mA 、0-10V 、0-5V)采集、开关量采集等服务,极大方便了用户的需求,服务器由我公司提供,客户可放心使用。
云平台软件分为以下三种:
https://www.juyingele.com/clouds/
Android 版 app 软件:
IOS 版 app 软件:
用户可通过聚英云平台自行添加 DAM 系列网络版设备实现远程监控,DAM 系列网络版设备,每台设备拥有唯一 ID 号,同一台设备可供多个用户添加使用。
在手机上安装下载的 app 软件,以 Android 为例(IOS 版操作方法相同)。安装后的图标如下

打开软件后,点击“用户信息”,显示登陆界面,如下:

软件支持 QQ 和微信登陆,确保了用户的信息安全,同时方便用户使用,也可通过手机注册账号登陆。
登陆账号后,在“实时监控”界面内添加设备,如下所示:

产品型号通过下拉选择,需要根据购买的设备型号选择,

fUNID 指的是设备的唯一 ID 号,可通过扫一扫,扫描设备上的二维码,或通过查询指令获取 ID 号写入即可。
扫描二维码获取唯一 ID
点击 fUNID 后面的
,可进入扫描二维码界面,如下所示。

扫描完成后自动获取唯一 ID 号。

成功添加设备后,可在“实时监控”界面进行设备参数设置、控制与数据查看。


点击顶部菜单栏内的图标,即可进入编辑页面,对 DO 通道的名称进行修改,如下图所示:

在编辑页面内,对 DI 通道的名称进行修改,如下图所示:

编辑完成后,点击完成,在监控界面查看当前设备状态即可,此时,设备已实现真正意义上的远程监控功能。
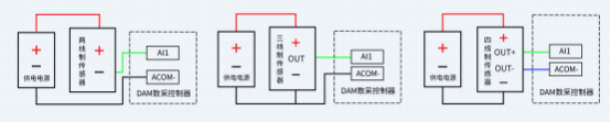
首先确定设备的输入信号为哪一种,我们以温度变送器为例,温度变送器的输出信号为
4-20mA,通过 DAM 设备采集温度变送器的输出信号。DAM 设备采集到的 4-20mA
数据与实际之间的关系为:实际值=返回值*0.001,及采集到的数据值范围为 4000-20000 ,若温度范围为0-100℃ ,
则在编辑界面写入对应关系,如下所示即可。
对应关系编辑确定后,在设备界面查看即可。
在编辑页面点击

即可删除设备。
历史数据及曲线记录

本控制卡主要为线圈寄存器,主要支持以下指令码:1 、5 、15
指令码 | 含义 |
1 | 读线圈寄存器 |
5 | 写单个线圈 |
15 | 写多个线圈寄存器 |
线圈寄存器地址表:
寄存器名称 | 寄存器地址 | 说明 |
线圈控制 | ||
线圈 1 | 50000 | 第一路继电器输出 |
线圈 2 | 50001 | 第二路继电器输出 |
线圈 3 | 50002 | 第三路继电器输出 |
线圈 4 | 50003 | 第四路继电器输出 |
线圈 5 | 50004 | 第五路继电器输出 |
线圈 6 | 50005 | 第六路继电器输出 |
线圈 7 | 50006 | 第七路继电器输出 |
线圈 8 | 50007 | 第八路继电器输出 |
光耦输入 | ||
光耦 1 | 20000 | 第一路光耦输入 |
光耦 2 | 20001 | 第二路光耦输入 |
光耦 3 | 20002 | 第三路光耦输入 |
光耦 4 | 20003 | 第四路光耦输入 |
光耦 5 | 20004 | 第五路光耦输入 |
光耦 6 | 20005 | 第六路光耦输入 |
光耦 7 | 20006 | 第七路光耦输入 |
光耦 8 | 20007 | 第八路光耦输入 |
配置参数 | ||
通信波特率 | 41001 | 见下表波特率数值对应表,默认为 0,支持0-6 ,该寄存器同时决定 RS232 和 RS485 的通信波特率 |
备用 | 41002 | 备用,用户不可写入任何值。 |
偏移地址 | 41003 | 设备地址=偏移地址 |
工作模式 | 41004 | 用户可以使用,存储用户数据 |
延迟时间 | 41005 | 用户可以使用,存储用户数据 |
只读参数 | ||
设备地址 | 31002 | Modbus 访问的地址 |
模拟输入 | ||
模拟量 1 | 40000 | 第一路模拟量输入 |
模拟量 2 | 40001 | 第二路模拟量输入 |
模拟量 3 | 40002 | 第三路模拟量输入 |
模拟量 4 | 40003 | 第四路模拟量输入 |
模拟量 5 | 40004 | 第五路模拟量输入 |
模拟量 6 | 40005 | 第六路模拟量输入 |
模拟量 7 | 40006 | 第七路模拟量输入 |
模拟量 8 | 40007 | 第八路模拟量输入 |
备注:
①:Modbus 设备指令支持下列Modbus 地址:
00001 至 09999 是离散输出(线圈) 10001 至 19999 是离散输入(触点)
30001 至 39999 是输入寄存器(通常是模拟量输入) 40001 至 49999 是保持寄存器(通常存储设备配置信息)
采用 5 位码格式,第一个字符决定寄存器类型,其余 4 个字符代表地址。地址 1 从 0 开始,如 00001 对应 0000。
波特率数值对应表
数值 | 波特率 |
0 | 9600 |
1 | 2400 |
2 | 4800 |
3 | 9600 |
4 | 19200 |
5 | 38400 |
③:继电器状态,通过 30002 地址可以查询,也可以通过 00001---00002 地址来查询,但控制只能使用 00001---00002 地址。
30002 地址数据长度为 16bit。最多可表示 16 个继电器。
对应结果如下:
Bit | 15 | 14 | 13 | 12 | 11 | 10 | 9 | 8 | 7 | 6 | 5 | 4 | 3 | 2 | 1 | 0 |
继电器位置 | 8 | 7 | 6 | 5 | 4 | 3 | 2 | 1 | 16 | 15 | 14 | 13 | 12 | 11 | 10 | 9 |
即 寄存器 30009 数据 的 bit8 与寄存器 00001 的数据一样。
同理:光耦输入也是如此。寄存器 30003 的 bit8 、bit9 与寄存器 10001 、10002都对应到指定的硬件上。
寄存器地址按照 PLC 命名规则,真实地址为去掉最高位,然后减一。
情景 | RTU 格式(16 进制发送) |
查询八路状态 | FE 01 00 00 00 08 29 C3 |
查询指令返回信息 | FE 01 01 00 61 9C |
控制第一路开 | FE 05 00 00 FF 00 98 35 |
控制返回信息 | FE 05 00 00 FF 00 98 35 |
控制第一路关 | FE 05 00 00 00 00 D9 C5 |
控制返回信息 | FE 05 00 00 00 00 D9 C5 |
控制第二路开 | FE 05 00 01 FF 00 C9 F5 |
控制第二路关 | FE 05 00 01 00 00 88 05 |
控制第三路开 | FE 05 00 02 FF 00 39 F5 |
控制第三路关 | FE 05 00 02 00 00 78 05 |
控制第四路开 | FE 05 00 03 FF 00 68 35 |
控制第四路关 | FE 05 00 03 00 00 29 C5 |
控制第五路开 | FE 05 00 04 FF 00 D9 F4 |
控制第五路关 | FE 05 00 04 00 00 98 04 |
控制第六路开 | FE 05 00 05 FF 00 88 34 |
控制第六路关 | FE 05 00 05 00 00 C9 C4 |
控制第七路开 | FE 05 00 06 FF 00 78 34 |
控制第七路关 | FE 05 00 06 00 00 39 C4 |
控制第八路开 | FE 05 00 07 FF 00 29 F4 |
控制第八路关 | FE 05 00 07 00 00 68 04 |
查询八路光耦状态 | FE 02 00 00 00 08 6D C3 |
查询返回信息 | FE 02 01 00 91 9C |
控制 1 路继电器(以第一路开为例,其他通道参照本例)
发送码:FE 05 00 00 FF 00 98 35
字段 | 含义 | 备注 |
FE | 设备地址 | 这里为广播地址 |
05 | 05 指令 | 单个控制指令 |
00 00 | 地址 | 要控制继电器寄存器地址 |
FF 00 | 指令 | 继电器开的动作 |
98 35 | CRC16 | 前 6 字节数据的CRC16 校验和 |
继电器卡返回信息:
返回码:FE 05 00 00 FF 00 98 35
字段 | 含义 | 备注 |
FE | 设备地址 | 这里为广播地址 |
05 | 05 指令 | 单个控制指令 |
00 00 | 地址 | 要控制继电器寄存器地址 |
FF 00 | 指令 | 继电器开的动作 |
98 35 | CRC16 | 前 6 字节数据的CRC16 校验和 |
1.继电器查询
查询 8 路继电器
发送码:FE 01 00 00 00 08 29 C3
字段 | 含义 | 备注 |
FE | 设备地址 | 这里为广播地址 |
01 | 01 指令 | 查询继电器状态指令 |
00 00 | 起始地址 | 要查询的第一个继电器寄存器地址 |
00 08 | 查询数量 | 要查询的继电器数量 |
29 C3 | CRC16 | 前 6 字节数据的CRC16 校验和 |
继电器卡返回信息:
返回码:FE 01 01 00 61 9C
字段 | 含义 | 备注 |
FE | 设备地址 | |
01 | 01 指令 | 返回指令:如果查询错误,返回 0x81 |
01 | 字节数 | 返回状态信息的所有字节数。1+(n-1)/8 |
00 | 查询的状态 | 返回的继电器状态。 Bit0:第一个继电器状态 Bit1:第二个继电器状态 。。。。。。。 Bit7:第八个继电器状态 |
61 9C | CRC16 | 前 6 字节数据的CRC16 校验和 |
2. 查询光耦
发送码:FE 02 00 00 00 08 6D C3
字段 | 含义 | 备注 |
FE | 设备地址 | |
02 | 02 指令 | 查询离散量输入(光耦输入)状态指令 |
00 00 | 起始地址 | 要查询的第一个光耦的寄存器地址 |
00 08 | 查询数量 | 要查询的光耦状态数量 |
6D C3 | CRC16 |
光耦返回信息:
返回码:FE 02 01 01 50 5C
字段 | 含义 | 备注 |
FE | 设备地址 | |
02 | 02 指令 | 返回指令:如果查询错误,返回 0x82 |
01 | 字节数 | 返回状态信息的所有字节数。1+(n-1)/8 |
01 | 查询的状态 | 返回的继电器状态。 Bit0:第一个光耦输入状态 |
Bit1:第二个光耦输入状态 。。。。。。。 Bit7:第八个光耦输入状态 | ||
50 5C | CRC16 |
3. 模拟量查询
查询模拟量 AD 字
发送码:FE 04 00 00 00 08 E5 C3
字段 | 含义 | 备注 |
FE | 设备地址 | |
04 | 04 指令 | 查询输入寄存器指令 |
00 00 | 起始地址 | 要查询的模拟量寄存器地址 |
00 0E | 查询数量 | 要查询的模拟量数量 |
E5 C3 | CRC16 |
模拟返回信息:
返回码:FE 04 10 00 00 00 00 00 00 00 00 00 00 00 00 00 00 00 00 71 2C
字段 | 含义 | 备注 |
FE | 设备地址 | |
04 | 04 指令 | 返回指令:如果查询错误,返回 0x82 |
10 | 字节数 | 返回状态信息的所有字节数。1+(n-1)/8 |
00 00 00 00 | 查询的 AD字 | 0x00 00,即十进制0,为查询的模拟量 AD字的值 |
71 2C | CRC16 | 校验位 |
4. 闪开闪闭指令解析
闪开发送码:FE 10 00 03 00 02 04 00 04 00 0A 00 D8
闪断发送码:FE 10 00 03 00 02 04 00 02 00 14 21 62
字段 | 含义 | 备注 |
FE | 设备地址 | |
10 | 10 指令 | 查询输入寄存器指令 |
00 03 | 继电器地址 | 要控制的器地址 |
00 02 | 控制命令数量 | 要对继电的命令个数 |
04 | 字节数 | 控制信息命令的的所有字节数。1+(n-1)/8 |
00 04/00 02 | 指令 | 闪开闪闭指令 |
00 0A | 延时时间 | 00 0A 为十六进制换为十进制则为间隔时间 |
00 D8 | CRC16 |
返回码:FE 10 00 03 00 02 A5 C7
字段 | 含义 | 备注 |
FE | 设备地址 | |
10 | 10 指令 | 返回指令:如果查询错误,返回 0x82 |
00 03 | 设备地址 | 查询设备的地址 |
00 02 | 接收命令数 | 设备接受的命令个数 |
A5 C7 | CRC16 | 校验位 |
5. 全开全关指令解析
全开发送码:FE 0F 00 00 00 04 01 FF 31 D2
全断发送码:FE 0F 00 00 00 04 01 00 71 92
字段 | 含义 | 备注 |
FE | 设备地址 | |
0F | 0F 指令 | 返回指令:如果查询错误,返回 0x82 |
00 00 | 起始地址 | |
00 04 | 控制数量 | 控制的继电器数量 |
01 | 字节数 | 发送命令字节数 |
FF (或 00) | 全开全关命令 | FF 全开命令 00 全关命令 |
31 D2(或 71 92) | CRC16 | 校验位 |
全断全开返回码:FE 0F 00 00 00 04 40 07
字段 | 含义 | 备注 |
FE | 设备地址 | |
0F | 0F 指令 | 返回指令:如果查询错误,返回 0x82 |
00 00 | 起始地址 | |
00 04 | 数量 | 返回信息的继电器数量 |
40 07 | CRC16 | 校验位 |

应用行业:智慧农业
应用类型:温室大棚
通道数量:8
应用行业:智慧农业
应用类型:温室大棚
通道数量:8
应用行业:智慧农业
应用类型:温室大棚
通道数量:16
应用行业:智慧农业
应用类型:温室大棚
通道数量:16
应用行业:智慧农业
应用类型:温室大棚
通道数量:4
应用行业:智慧农业
应用类型:温室大棚
通道数量:4
应用行业:智慧农业
应用类型:温室大棚
通道数量:32